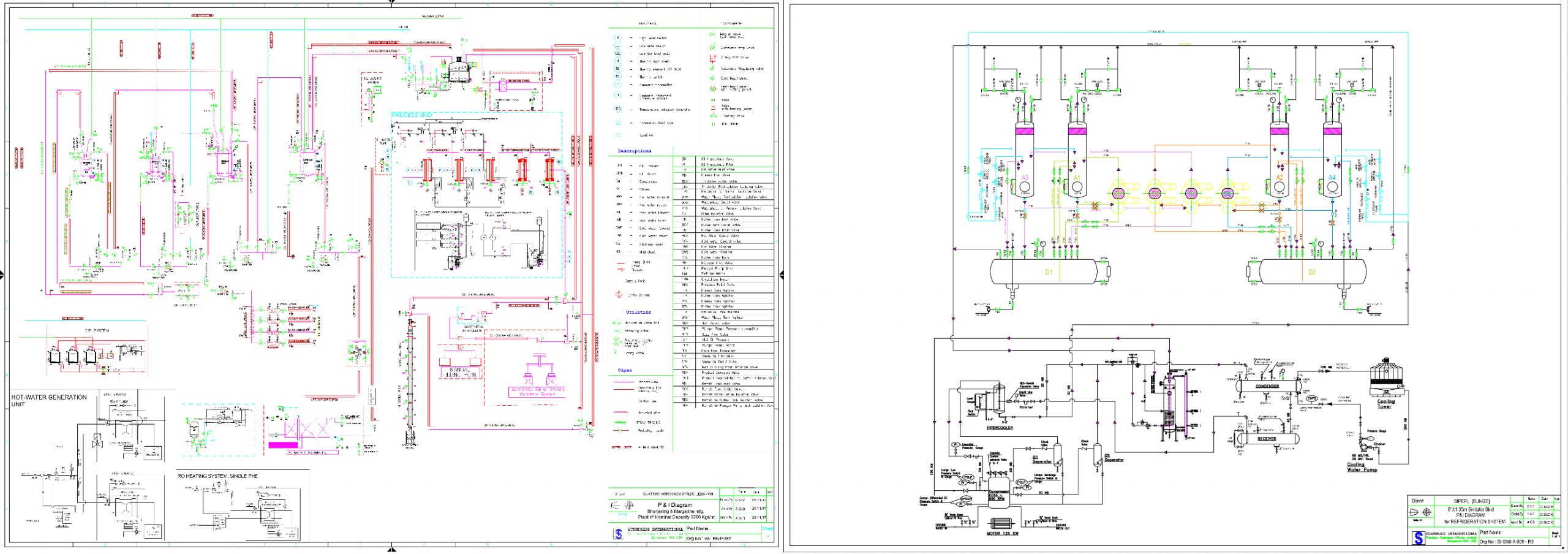
P&I Diagram for Process and Refrigeration
The Process P&I Diagram shall be prepared for the Shortening and Margarine Plant in accordance with the scope of supply finalized by the Client.

Structure Drawings
Structural Drawings for Batching Section shall be prepared and submitted to the customer for fabrication at site.

Plant Layout
Plant Layout shall be prepared in accordance with the space availability at the site to accommodate the entire plant in the existing area in concurrence with the customer.

Plan Piping Drawings
Plan Piping Drawings in accordance with P&I Diagram & Plant Layout shall be submitted to the client

Piping Isometrics and BOM and Electrical Instrumentation Cable Layout
Piping Isometrics and BOM for site piping shall be submitted to the client before commencement of site erection.

Plant Layout in 3D
Plant Layout in 3D shall be submitted to the client before commencement of the erection activities at site.

Plant Layout in 3D software shall be prepared on request in accordance with the site to accommodate the entire plant in the existing area. The engineering team members are well trained to fulfill the need of client.

Supports for Pipe, Support for Electrical & Instrumentation Cables
Supports for Pipe and Electrical Cables shall be designed to suit to the site layout and be submitted to the client with BOQ for local manufacture.

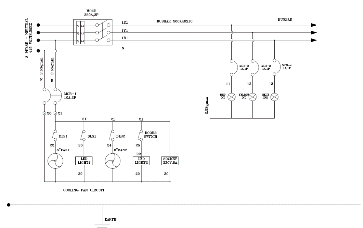
Electrical & Instrumentation termination schedule
Electrical & Instrumentation termination schedule shall be prepared in accordance with the circuit diagram prepared for various panels in the scope of supply for the project.
Bill of Materials for Pipes, Fitting & Valves – extract from Respective P&I Diagram & Isometrics.
Bill of materials shall be prepared for all the isometrics prepared for the site. All connecting pipelines, fittings, electrical cables for items in the scope of SIPEPL shall be submitted and pipes and fittings shall be supplied accordingly. BOQ for other site requirements such as pipe supports, cable trays shall also be given to the client in advance for local sourcing of the same.
Electrical Panel Layouts

Electrical Circuit Drawings

Civil Drawings

Site Supervision, Pre-Commissioning and Commissioning

Comments are closed.
