Utilities Solution
At SIPEPL, the complete set of Utilities required for the Margarine Plant is supplied with the Plant. These include Hot Water Generation Skid, Suction Accumulator, Refrigeration Package and Automated CIP Plant.
Hot water is also required in the Tanks, PHEs of the Pasteurizer and the Continuous Remelt to heat the oil as required by the process and the jacketed pipeleins carrying oil blends is generated by the Hot Water Generation Skid.
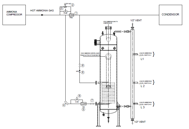
The common Suction Accumulator known as “Knock-Off Drum” installed before the ammonia compressor helps to ensure liquid refrigerant is separated before the vapor enters the compressor. The heavier liquid particles are accumulated in the Suction Accumulator and evaporated by the automation controls provided for the circulation of hot gas from the discharge of the Ammonia Compressor to the condenser through the Suction Accumulator.
The Ammonia Refrigeration System comprising of a compressor, a condenser, a receiver, an evaporator which are the Sinitators, a knock off drum and the oil separator with different types of compressors and condensers are used in the circuit. At SIPEPL, refrigeration packages are automated to suit to the requirement of the Sinitators with Single Stage Reciprocating Compressors or Two Stage Reciprocating Compressors or Screw Compressors.
The use of water and proteins in Specialty fats will require for a periodic CIP of the Plant. All the equipment supplied by SIPEPL are CIP Compatible. The PLC controlled multi-use CIP System supplied by SIPEPL shall be complete with pumps, valves, flow meters, dozing pumps, pressure gauges etc. and skid mounted with pre-fabricated pipelines and electrical instruments for easy rig up to the Margarine Plant.
Hot Water Generation skid
The Hot Water Generation skid is an important utility required for the manufacture of Specialty Fats as the blend consists of oils with melting points higher than ambient temperatures. Furthermore, in order to ensure there is no crystals are formed before the blend enters the SSHEs, it is also required for the temperature of the Blend to be maintained at least 10-12 °C above the melting point of the blend in the batching tanks.
All tanks in the Margarine plant are provided with a heating jacket/limpet coil are serviced by the Hot Water Generation Skid to keep the oil temperatures high. Hot water is also required in the PHEs of the Pasteurizer and the Continuous Remelt to heat the oil as required by the process. Furthermore, all the pipelines carrying oil blends in the Margarine plant require to be attempered with hot water at startups for lines carrying oil from the Batching tanks to the Packaging and throughout the production for the return lines.


The Hot Water Generation Skid designed by SIPEPL is a closed loop system that generates and maintains hot water at two different temperatures in the headers across the plant. The Hot water is drawn by the respective equipment from the headers by the own control system of the equipment. The Hot Water Generation Skid comprises of a Steam Reducing Station with condensate recovery system, two sets of PHE for heat transfer and control valves to generate hot water to be circulated in the jackets of the oil lines, PHEs in the plant and the coils of tanks. The Skid comprises of the Pumps with speed control that circulate the water throughout the plant at a required pressure in a closed loop system automated by PLC Logic.
Suction Accumulator
The vapor from the process skid sometimes carries liquid particles which can harm the compressor need to be separated from entering into the compressor. The common Suction Accumulator known as “Knock-Off Drum” installed before the ammonia compressor helps to ensure liquid refrigerant is separated before the vapor enters the compressor. The heavier liquid particles are accumulated in the Suction Accumulator and evaporated by the automation controls provided for the circulation of hot gas from the discharge of the Ammonia Compressor to the condenser through the Suction Accumulator.
The Suction Accumulator shall be a vertical vessel sized for the designed refrigeration capacity of the compressor package with a stand pipe on which level switches shall be mounted at different heights as required by the process. Coils shall be provided inside the vessel for the circulation of hot ammonia gas to evaporate the liquid accumulated. The suction accumulator shall also be complete with Demister pad just before the top dish installed to stop liquid molecules if any and allow only ammonia vapor only to pass through and sight glasses for periodic inspection.

Refrigeration Package

Sinitators [SSHE] which is the heart of the Margarine Plant are flooded evaporators with an integrated drop tank and surge tank. Sinitators maintain the temperature of the product accurately by varying the suction going to the Refrigeration System which requires the Refrigeration System to specifically designed universally to produce a wide range of products with varied proportions of solids vegetable fat used in the manufacture of Shortening and Margarine and synchronized with the Sinitators to ensure trouble free operation of the Margarine Plant.
We at Standards International, primarily use Ammonia as the refrigerant as ammonia is an environmentally compatible refrigerant with superior thermodynamic properties. However, we also manufacture plants with Freon R404 refrigerant upon request. The systems are also inherently safe as small leaks can be detected by its pungent odour and can be designed to be safe.
While some products such as soft shortenings and soft margarines can be produced by maintaining the saturated suction temperature at -20 °C, quality of other products such as Puff Pastry Margarine have been found to be more plastic when the saturated suction pressure is at -25 °C as the additional refrigeration allows for better removal of heat of crystallization from the product.
The Ammonia circuit comprises of a compressor, a condenser, a receiver, an evaporator which are the Sinitators, a knock off drum and the oil separator with different types of compressors and condensers are used in the circuit. At SIPEPL, refrigeration packages are made and automated to suit to the requirement of the Sinitators with Single Stage Reciprocating Compressors which can work up to -20 °C SST or Two Stage Reciprocating Compressors or Screw Compressors that can be operated at -25 °C SST giving the customer a wide range of selection of refrigeration systems for the Margarine Plant.
At SIPEPL, the refrigeration packages are configured with either Shell and Tube Condensers or Evaporative Condensers.
The Refrigeration System is integrated into the network enabling the operator to monitor the Refrigeration system and modify parameters from the central SCADA system by integrating the maintenance schedules for various equipment in the plant and notifying the operator times at which certain maintenance activities to be performed.

CIP System

The use of water and proteins in Specialty fats will require for a periodic CIP of the Plant. All the equipment supplied by SIPEPL are CIP Compatible. The PLC controlled multi-use CIP System supplied by SIPEPL shall be complete with pumps, valves, flow meters, dozing pumps, pressure gauges etc. and skid mounted with pre-fabricated pipelines and electrical instruments for easy rig up to the Margarine Plant
The CIP System shall be controlled by a pre-defined program with routines for nitrogen dozing, pre-rinse, cleaning rinse, post rinse, acid rinse and sanitization controlled by the central SCADA.

Comments are closed.
